창수허윤수출입유한회사
창수허윤수출입유한회사
제품
플랜지 연결을 갖춘 DiaPragm 씰
  • 플랜지 연결을 갖춘 DiaPragm 씰플랜지 연결을 갖춘 DiaPragm 씰
  • 플랜지 연결을 갖춘 DiaPragm 씰플랜지 연결을 갖춘 DiaPragm 씰

플랜지 연결을 갖춘 DiaPragm 씰

Model:DS560.27
플랜지 연결 - 모델 DS560.27을 사용한 DiaPragm 씰의 정밀성과 신뢰성을 경험하십시오. 이 혁신적인 제품은 플러시 다이어프램을 특징으로하며 미디어 부식 및 막힘에 대한 탁월한 보호 기능을 제공하여 가혹한 환경에서도 정확하고 안정적인 판독 값을 보장합니다.

플랜지 연결- 모델 DS560.27로 DiaPragm 씰 소개 : 가혹한 환경에서 압력 측정을위한 최종 솔루션

 

모델 DS560.27 다이어프램 씰에는 기존 프로세스 시스템에 쉽게 설치하고 통합 할 수있는 플랜지 연결이 장착되어 있습니다. 강력한 건축 및 고품질 재료는 오래 지속되는 성능과 내구성을 보장하여 광범위한 산업 응용 분야에 이상적인 선택입니다.

 

플랜지 연결을 갖춘 DiaPragm 씰의 플러시 다이어프램 설계는 미디어 축적 및 막힘의 위험을 최소화하여 깨끗하고 정확한 압력 측정을 제공합니다. 이 기능은 특히 점성 또는 입자가 함유 된 미디어와 관련된 응용 분야에서 유리하여 미디어 축적으로 압력 측정이 손상되지 않도록합니다.

 

신뢰할 수있는 다이어프램 씰 제조업체로서 우리는 고품질 제품과 탁월한 고객 서비스를 제공하기 위해 노력하고 있습니다. 플랜지 연결이 장착 된 DiaPragm 씰은 산업 부문의 엄격한 표준을 충족하도록 설계 및 제조하여 압력 측정 요구의 신뢰성과 정확성을 보장합니다.

 

석유 및 가스, 화학적, 발전 또는 수처리 산업에 관계없이 플랜지 연결 모델 DS560.27을 갖춘 Diapragm 씰은 가혹한 환경에서 압력 측정을위한 해결책입니다. 더 많은 China Csherun 제품 및 서비스를 배우려면 오늘 저희에게 연락하십시오.

 

응용 프로그램


● 공격적이고 점점이 높고 결정화 또는 뜨거운 미디어

● 프로세스 산업

● 기계 건물 및 자동화

 

특별한 기능


● 플러시 용접 다이어프램이있는 플랜지

● 일반적인 표준 및 공칭 폭 사용 가능

● 다양한 재료 및 재료 조합

설치 예 

직접 장착 압력 게이지가있는 모델 DSS560

다이어프램 씰 시스템

다이어프램 씰 시스템은 파이프 라인, 프로세스 원자로 또는 탱크에 용접되는 기존 연결에 장착됩니다. 적절한 재료로 만든 다이어프램은 매체를 측정 기기와 분리합니다. 다이어프램과 측정 기기 사이의 내부 공간은 시스템 충전 유체로 완전히 채워져 있습니다.

측정 요소

배지의 압력은 탄성 다이어프램을 통해 시스템 충전 유체로 전달 된 다음 측정 기기로 전달됩니다. 다이어프램 씰과 그 구성 요소는 신뢰할 수있는 측정을 보장하기 위해 서로 완벽하게 일치합니다.

장착 유형

측정 기기에 다이어프램 씰의 장착은 직접 연결, 냉각 요소 또는 유연한 모세관을 통해 고온을 통해 이루어질 수 있습니다.

명세서

버전

플랜지 연결이있는 다이어프램 씰

다른 버전

■ NACE 당 MR0175 / ISO 15156, 석유 및 가스 생산에서 H2S 함유 환경에서 사용

■ NACE 당 MR0103 / ISO 17945, 황화수소 스트레스 균열에 내성이있는 금속

■ Zone 0 (EPL GA)에 장착하기위한 사전 대량의 디플라 그레이트 불꽃 Arrester.

압력 범위

최대 압력 범위는 프로세스 연결 및 기기 선택에 따라 다릅니다.

기기에 대한 연결

■ 용접 연결을위한 축 연결 어댑터

■ 기기에 적합한 연결 어댑터 (예 : G ½, G ¼, ½ NPT 또는 ¼ NPT)

장착 유형

■ 직접 장착

■ 모세관

■ 방열판

진공 서비스

■ 기본 서비스

■ 고급 서비스

■ 프리미엄 서비스

요청시 기타 프로세스 연결

요청시 특수 공정 온도를위한 추가 자료.


mm의 치수 [in] 

Din en 1092-1, 양식 B에 따라 플랜지 연결

요청시 추가 차원 및 더 높은 공칭 압력


mm의 치수 [in] 

ASME B16.5-2017, RF에 따라 플랜지 연결

GOST 33259, 타입 B와 일치하는 플랜지 연결

요청시 추가 차원 및 더 높은 공칭 압력

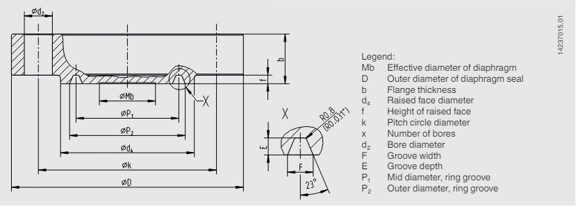
API 6A, 링 조인트 그루브와 일치하는 플랜지 연결

요청시 추가 차원 및 더 높은 공칭 압력

JIS B 2220, RF와 일치하는 플랜지 연결

요청시 추가 차원 및 더 높은 공칭 압력


다이어프램 씰 :


다이어프램 씰 모델 / 프로세스 연결 (표준, 플랜지 크기, 공칭 압력, 밀봉면) / 재료 조합 ​​(습식 부품의 습식 부품의 습식 부품 / 습식 부품 / 인증서 / 인증 링에 대한 연결 / 습식 부품의 습식 부품 / 습식 부품의 청결 레벨 / 청결 레벨


다이어프램 씰 시스템 :


다이어프램 씰 모델 / 압력 측정 기기 모델 (데이터 시트 당) / 장착 (직접 장착, 냉각 요소, 모세관) / 재료 조합 ​​(다이어프램 씰의 상부 본체) / 분. 그리고 맥스. 공정 온도 / 분. 그리고 맥스. 주변 온도 / 진공 서비스 / 시스템 채우기 유체 / 인증서 / 높이 차이 / 습식 부품의 청결 수준 / 습식 부품의 원산지 / 습식 부품 / 디자인 / 다이어프램 씰 Zone 0 / 기기 장착 브래킷 / 프로세스 연결 (표준, 플랜지 크기, 공칭 압력, 봉인면) / 플러싱 링


핫 태그: 플랜지 연결, 견적, 가격, 중국에서 제작 된 DiaPragm 씰
문의 보내기
연락처 정보
견적이나 협력에 관한 문의사항이 있으신 경우, 이메일이나 아래 문의양식을 이용해 주시기 바랍니다. 영업 담당자가 24시간 이내에 연락을 드릴 것입니다.
X
We use cookies to offer you a better browsing experience, analyze site traffic and personalize content. By using this site, you agree to our use of cookies. Privacy Policy
Reject Accept