창수허윤수출입유한회사
창수허윤수출입유한회사
제품
플랜지 연결이있는 다이어프램 씰
  • 플랜지 연결이있는 다이어프램 씰플랜지 연결이있는 다이어프램 씰
  • 플랜지 연결이있는 다이어프램 씰플랜지 연결이있는 다이어프램 씰

플랜지 연결이있는 다이어프램 씰

CSHERUN Diaphragm seal with flange connection is high quality and durable.

Flange Connection의 응용 프로그램이 포함 된 Csherun Diphragm SEAL은 다음과 같습니다.

● 공격적, 점성, 결정화 또는 뜨거운 매체

● 프로세스 산업

● 작은 플랜지 프로세스 연결


특별한 기능

● 내부, 모든 용접 다이어프램이있는 플랜지

● 소형 디자인



명세서


프로세스 연결, 플랜지

요청시 더 이상의 플랜지 및 옵션


재료 조합

1) 다이어프램 씰 시스템의 최대 허용 공정 온도는 결합 방법, 시스템 충전 유체 및 측정 기기에 의해 제한됩니다.

요청시 특수 공정 온도에 대한 추가 재료 조합



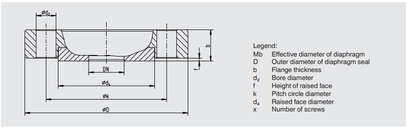
mm의 치수 [in]
Din EN 1092-1, 양식 B1에 따라 플랜지 연결

요청시 추가 차원 및 더 높은 공칭 압력


ASME B 16.5, RF 125 ... 250 AA 당 플랜지 연결

요청시 추가 차원 및 더 높은 공칭 압력


GOST 33259, 타입 B와 일치하는 플랜지 연결

요청시 추가 차원 및 더 높은 공칭 압력


JIS B 2220 당 플랜지 연결

요청시 추가 차원 및 더 높은 공칭 압력



다이어프램 씰 :

다이어프램 씰 모델 / 프로세스 연결 (표준, 플랜지 크기, 공칭 압력, 밀봉면) / 재료 (다이어프램 씰, 제기 얼굴 인서트, 다이어프램) / 습식 부품의 청결 수준 / 습식 부품 / 버전 / 습식 부품 / 버전 측정 기기 / 인증서와 연결


다이어프램 씰 시스템 :

다이어프램 씰 모델 / 압력 측정 기기 모델 (데이터 시트 당) / 장착 (직접 장착, 냉각 요소, 모세관) / 재료 (다이어프램 씰의 상부 본체, 올린 페이스 인서트, 다이어프램) / 분. 그리고 맥스. 공정 온도 / 분. 그리고 맥스. 주변 온도 / 진공 서비스 / 시스템 채우기 유체 / 증명서 / 높이 차이 / 습식 부품의 청결 수준 / 습식 부품의 원산지 / 습식 부품 / 다이어프램 씰 Zone 0 / 기기 장착 브래킷 / 프로세스 연결 (표준, 플랜지 크기, 공칭 압력, 밀봉면).

핫 태그: 플랜지 연결, 중국, 제조업체, 공급 업체, 공장, 품질, 중국에서 만든 다이어프램 씰
문의 보내기
연락처 정보
견적이나 협력에 관한 문의사항이 있으신 경우, 이메일이나 아래 문의양식을 이용해 주시기 바랍니다. 영업 담당자가 24시간 이내에 연락을 드릴 것입니다.
X
We use cookies to offer you a better browsing experience, analyze site traffic and personalize content. By using this site, you agree to our use of cookies. Privacy Policy
Reject Accept